English
中文
搜索
首页
关于荣耀体育足球_荣耀体育(中国)
集团简介
集团简介
品牌文化
荣耀体育足球_荣耀体育(中国)品牌理念
集团成员
集团成员
技术实力
技术实力
企业荣耀
企业荣誉
集团视频
集团视频
企业公告
企业新闻
企业新闻
行业动态
行业动态
企业招标
暂无记录
产品中心
挂车系统
VALX系列车轴
卡车系统
单级减速驱动桥
工程车系统
16.8吨工程车后桥
集装箱
陆运分体式轻型拖车冷藏箱
原厂配件
车轴配件
服务中心
荣耀体育足球_荣耀体育(中国)服务中心
荣耀体育足球_荣耀体育(中国)服务中心
产品使用手册
产品使用说明书
VALX 学堂
VALX 学堂
挂车使用常识
用车常识
售后服务网点
售后服务网点
产品防伪查询
产品防伪查询
资料下载中心
资料下载中心
投 诉 与 建 议
投诉与建议
荣耀体育足球_荣耀体育(中国)
采购公告
采购公告
人才招聘
人才招聘
加盟我们
加盟我们
联系方式
联系方式
首页
>
服务中心
>
产品使用手册
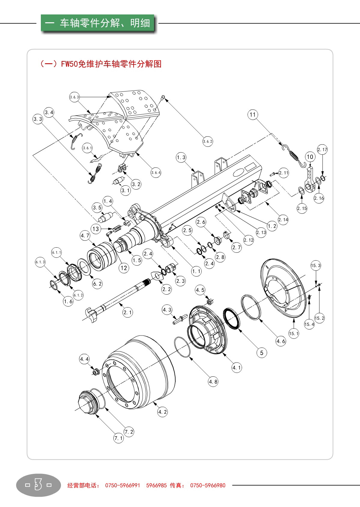
FW50免维护车轴【产品使用说明书】
发布时间:2017-02-21 17:14:21
分享:
上一篇:鞍座 · 牵引销【产品使用说明书】
下一篇:FW13耐磨板簧悬挂【产品使用说明书】
荣耀体育游戏平台
|
爱体育官方端网站登录入口
|
爱游戏网页版爱游戏aiyouxi(中国)_爱游戏aiyouxi(中国)
|
IM在线登录
|
荣耀体育·(中国)手机网页版
|
荣耀在线平台(中国)官网
|
荣耀网页版
|
荣耀官方网页版
|
爱游戏网页版
|